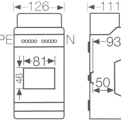
Petit tableau de distribution AP Hensel KV 90 IP54/65, avec couvercle à clapet, vide, boîtier en matière thermoplastique, gris clair RAL 7035, découpe enfonçable pour les appareils, 1 rangée, entrées en haut et en bas, hauteur de montage ≤ 50 mm, bornes PE/N, IP54, pour profondeur ≤ 93 mm
| largeur | 126 mm |
| couleur | gris |
| hauteur | 228 mm |
| mode de montage | apparent |
| profondeur | 111 mm |
| indice de protection (IP) | IP54 |
| matériau du boîtier | matière synthétique |
| numéro RAL | 7035 |
| avec plaque de montage | Non |
| version CEM | Non |
| possibilité de montage adossé | Non |
| largeur en unités de division | 4.5 |
| type de couvercle | avec découpe |
| type de couverture | porte |
| couvercle/porte transparente | Oui |
| type de porte | autre |
| rail DIN | Oui |
| porte de transmission du signal | Non |
| borne à conducteur neutre | Oui |
| borne de mise à la terre | Oui |