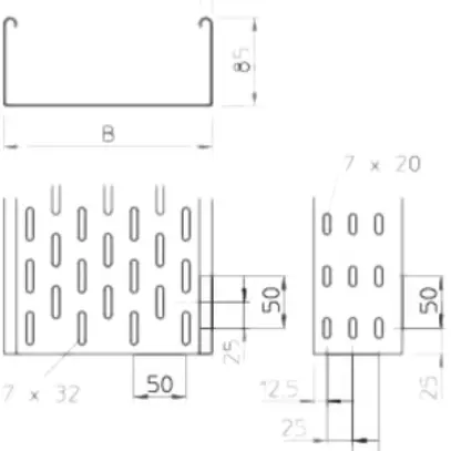
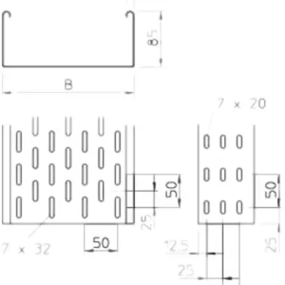
Canale portacavi MKS, lamiera d'acciaio 1 mm, forato, senza copertura, lunghezze di 3 m
| materiale | acciaio |
| lunghezza | 3000 mm |
| larghezza | 300 mm |
| colore | zinco |
| altezza | 85 mm |
| spessore del materiale | 1 mm |
| protezione della superfice | zincato a nastro |
| versione | connettore fornito |
| qualità del materiale | altri |
| peso | 3.38 kg |
| lunghezza di lavoro | 3000 mm |
| adatto per mantenimento funzionalità | No |
| sezione utile | 25300 mm² |
| versione a campata lunga | No |
| acciaio inossidabile, decapato | No |
| foro per montaggio nel pavimento | Si |
| con parte superiore | No |
| schema di foratura NATO | No |
| perforazione laterale | Si |
| 500 | |
| 1100 | |
| 1750 | |
| 1.5 - 2.5 | |
| tipo di prova di carico secondo IEC 61537 | tipo II |
| tipo di connettore | avvitato |
Prodotti alternativi