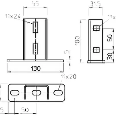
Kopfplatte Bettermann, wird mit einem US-3 Stiel in Fixlänge kombiniert, sie eignet sich zum Erstellen von US-3 Hängestielen und Aufständerungen auf dem Boden, mit Befestigungsmaterial zum Verbinden der Kopfplatte mit einem US-3 Stiel
| Werkstoff | Stahl |
| Farbe | Zink |
| Oberflächenschutz | feuerverzinkt |
| Ausführung | Schraubkopfplatte |
| Geeignet für | U-Profil |
| Werkstoffgüte | sonstige |
| Geeignet für Deckenmontage | Ja |
| Rostfreier Stahl, gebeizt | Nein |
| Winkel | 90 - 90 ° |
| Geeignet für Konsolenbefestigung | Nein |